
Өнімнің толық сипаттамасы
| Артықшылығы: | Жоғары жылдамдық | Таңбалау жылдамдығы: | 60-200 дана / мин |
|---|---|---|---|
| Қызметі: | Жабысқақ жапсырмаларды жапсыру | Материал: | Тот баспайтын болат |
| Шөлмек түрі: | Автоматты дөңгелек бөтелке жапсырмасы бар құмыра | Қолдану: | Дөңгелек контейнердің барлық түрлеріне арналған |
| Plc маркасы: | MITSUBISHI (Жапония) | Servo жапсырма қозғалтқышы: | DELTA (Тайвань) |
қызыл шарап жапсыру машинасы, әйнек шарап бөтелкесін таңбалау машинасы, PLC басқару жүйесі MITSUBISHI маркалы таңбалау машинасы
Мүмкіндіктер:
1. Пайдалану: PLC басқару жүйесі таңбалау машинасын басқаруды жеңілдетеді
2. Материал: таңбалау машинасының негізгі корпусы SUS304 баспайтын болаттан жасалған
3. Конфигурация: Біздің таңбалау машиналары белгілі жапон, неміс, американдық, кореялық немесе тайвандық брендтерді қолданады
4. Икемділік: клиент принтер мен код машинасын қосуды таңдай алады; конвейермен байланыс орнатуды таңдай алады.
Техникалық параметрлер:
| Аты-жөні | Автоматты дөңгелек шарап бөтелкесі жоғары жылдамдықты жеңге арналған дөңгелек бөтелкелерді жапсыруға арналған машина |
| Таңбалау жылдамдығы | 60-350 дана / мин |
| Нысанның биіктігі | 30-350 мм |
| Нысанның қалыңдығы | 20-120 мм |
| Жапсырманың биіктігі | 5-180 мм |
| Жапсырманың ұзындығы | 25-300 мм |
| Диаметрі бар жапсырма ролик | 76 мм |
| Диаметрі сыртындағы жапсырма ролигі | 420 мм |
| Таңбалаудың дәлдігі | ± 1мм |
| Нәр беруші | 220В 50 / 60Гц 3,5 кВт |
| Принтердің газ шығыны | 5кг / м2 (егер кодтау машинасын қоссаңыз) |
| Таңбалау машинасының өлшемі | 2800 (L) × 1650 (W) × 1500 (H) мм |
| Жапсырма машинасының салмағы | 180 кг |
Конфигурация
| Жоқ | Бөлім | бренд | саны |
| 1 | PLC | MITSUBISHI (Жапония) | 1 |
| 2 | Негізгі түрлендіргіш | DANFOSS (Дания) | 1 |
| 4 | ХМИ | WEINVIEW (Тайвань) | 1 |
| 5 | Сервалық жапсырма қозғалтқышы | ДЕЛТА (Тайвань) | 1 |
| 6 | Серво маркалы мотор драйвері | ДЕЛТА (Тайвань) | 1 |
| 7 | Конвейерлік қозғалтқыш | HY (Тайвань) | 1 |
| 8 | Конвейерлік қозғалтқыштың беріліс қорабы | HY (Тайвань) | 1 |
| 9 | Бөтелкенің моторын бөлу | GPG (Тайвань) | 1 |
| 10 | Бөтелкенің мотор беріліс қорабын бөлу | GPG (Тайвань) | 1 |
| 11 | Қозғалтқыш жылдамдығын басқарушы бөтелке | GPG (Тайвань) | 1 |
| 12 | Қозғалтқыш | GPG (Тайвань) | 1 |
| 13 | Қозғалтқыштың беріліс қорабы | GPG (Тайвань) | 1 |
| 14 | сиқырлы көзді анықтау | OMRON (Жапония) | 1 |
| 15 | оптикалық талшық | OMRON (Жапония) | 1 |
Машинаның бөлшектері:

Машинаның негізгі 32 бөлшектері

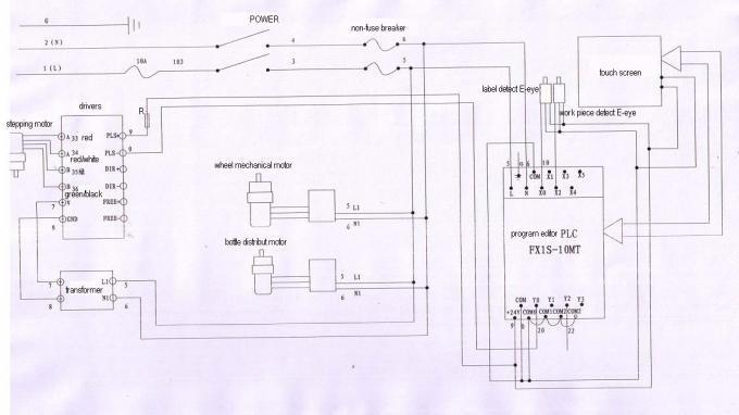
Электр схемасы

ЖИІ ҚОЙЫЛАТЫН СҰРАҚТАР:
1.белгі көпіршіктерді алады
Себептер:
Board борттың қабығы жақсы емес / тегіс емес;
② соқа тақтасы жақсы емес / тегіс емес;
③ таңбалау шығысы өте тез немесе құрастыру сызығының жылдамдығы тым төмен;
④ жапсырма тым босатылған
Шешімдер:
Board жалпақ қабығын ауыстырыңыз;
A жалпақ плитаны ауыстырыңыз;
③ таңбалаудың шығу жылдамдығын баяулатыңыз немесе құрастыру сызығының жылдамдығын арттырыңыз;
Label жапсырма белбеуіне дұрыс әсер етіңіз.
Тег: өнеркәсіптік таңбалау машинасы, шыны бөтелкелерді жапсыру машинасы









